問題解答
氣動葫蘆安裝時的注意事項有哪些?
作者:啟江起重
發布時間:2019-03-28 08:59:31
氣動葫蘆安裝時的注意事項:
1、在氣動葫蘆的進氣口必須安裝油面顯示裝置,如果不安置的話氣動葫蘆易損壞(需自備)。
2、送氣一段需有氣體防護網 (需自備)。
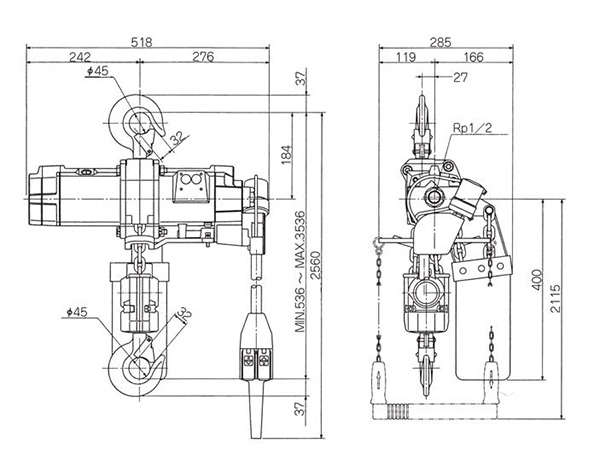
3、以上安裝時出油量在
4、送氣管安裝前必須先用氣體沖一下,把垃圾沖干凈。
5滴/min的范圍里,多了氣動葫蘆會垂滴油。
6、送氣壓力調整在0.4mpa以上。
7、送氣管的長度是行程的1.5倍。氣管不要垂吊,成圈樣固定。一般在直徑1m左右。
氣動葫蘆是目前世界上最理想的防爆起重設備。廣泛運用于石油、化工、煤礦、紡織、倉儲、家用電器生產線、汽車制造生產線及船舶修造等行業中是企業安全生產提高效率降低成本畢不可少的設備。目前較普遍的是鋼絲繩載重也有環鏈的氣動葫蘆相比較的話環鏈的更加堅固耐用??梢赃B續不斷的高頻率作業??稍诟邷?、高粉塵、腐蝕性強的作業環境下工作。自鎖性能好安全可靠。體積小重量輕安裝使用方便。無火花徹底解決了起重設備的防爆問題。
操作簡單維護方便維修配件少維修周期長. 五氣動葫蘆應用范圍 由于氣動葫蘆的防爆性能良好它在國外工業化國家被廣泛地應用在化工、紡織、噴漆、物流、碼頭等易燃、易爆、高溫、高粉塵、腐蝕性強的作業場所。由于它具有高頻率無極變速的特點深受產量大連續作業性強的汽車、拖拉機、電機、電冰箱等制造行業以及物流行業的青睞。特別是一些工業發達的國家明確規定石油、化工、汽車、礦山等易燃易爆場合必須強制使用氣動葫蘆。 氣動葫蘆是電動葫蘆的升級換代產品已經廣泛的應用于各行各業承載范圍根據型號不同從250公斤到30噸。氣動葫蘆只需提供一定壓力的壓縮空氣便能驅動做到了低能耗、高效率。還具有斷氣保護功能在突然斷氣情況下保證工件不下降、掉落。 配合各種非標夾具氣動葫蘆可以實現起吊各種形狀的工件。安裝形式可以配合懸臂吊或導軌來實現移動。

免費獲取2019全新報價,詢價熱線:17315980007
上一篇:關于電動葫蘆的纜索您了解嗎?
下一篇:環鏈電動葫蘆如何搭配跑車?






起重設備
手拉葫蘆

